Talamex Trailerlier Serie Medium Gegalvaniseerd
Met de Talamex Trailerlier Serie Medium Gegalvaniseerd beschik je over een duurzame, gebruiksvriendelijke lier die perfect is voor het veilig en efficiënt traileren van je boot. Deze robuuste trailerlier, speciaal ontworpen voor watersporttoepassingen, combineert functionaliteit en kracht met een compact formaat. Dankzij de gegalvaniseerde afwerking is hij uitstekend bestand tegen corrosie en weersinvloeden, ideaal voor gebruik in zowel zoet als zout water.
Kenmerken:
- Krachtige prestaties: Met een trekkracht tot 815 kg en een efficiënte overbrenging van 4:1 of 5:1 is deze lier perfect voor het verplaatsen van middelgrote boten.
- Flexibele toepassing: Geschikt voor staalkabel en lierband is ook mogelijk, zodat je de juiste optie voor jouw situatie kunt kiezen.
- Gebruiksvriendelijke bediening: De lier beschikt over één versnelling en drie standen: vrijloop, ratelstand vooruit én achteruit. Dit biedt maximale controle tijdens het inhalen of vieren van je boot.
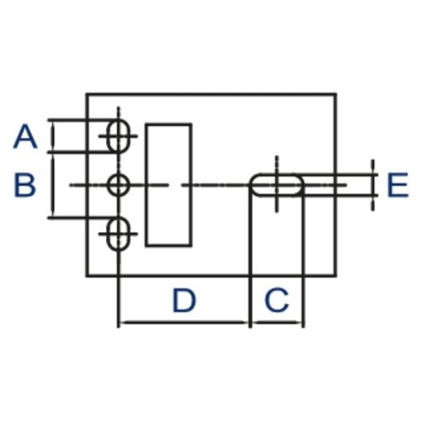
- Afmetingen (tekening in afbeelding): A = 16mm, B = 32mm, C = 36mm, D = 65mm, E = 10mm
Specificaties en Modellen:
Model WT-73-12 | Trekkracht: 545 kg:
- Overbrenging: 4:1
- Trommelcapaciteit: 15 m staalkabel (Ø 5 mm)
- Artikelcode: 76708000
Model WT-73-14 | Trekkracht: 636 kg:
- Overbrenging: 4:1
- Trommelcapaciteit: 15 m staalkabel (Ø 5 mm)
- Artikelcode: 76709000
Model WT-73-18 | Trekkracht: 815 kg:
- Overbrenging: 5:1
- Trommelcapaciteit: 20 m staalkabel (Ø 5 mm)
- Artikelcode: 76716000
Optionele uitbreiding
Voor extra veiligheid en bescherming is er optioneel een tandwielbeschermkap verkrijgbaar. Dit verlengt de levensduur van de lier en zorgt voor een nog veiliger gebruik.
De Talamex Medium trailerlier is een betrouwbare keuze voor watersporters die waarde hechten aan kwaliteit en gemak. Of je nu een boot, sloep of visboot wilt traileren, deze lier biedt de stevigheid en prestaties die je nodig hebt.
Bestel jouw Talamex Trailerlier vandaag nog bij Aspius.nl en ga zorgeloos naar de waterkant!













