Talamex Trailerlier Serie Medium Soft WT-73-14 Soft Gegalvaniseerd 636 kg met lierband
Maak uw boottransport eenvoudiger en veiliger met de Talamex Trailerlier Serie Medium Soft, speciaal ontworpen voor boottrailers. Deze robuuste trailerlier is voorzien van een lierband, zo kunt u er direct gebruik maken.
Belangrijkste Kenmerken:
- Trekkracht van 636 kg: De perfecte balans tussen kracht en compactheid voor middelgrote boten en trailers.
- Eén versnelling: Eenvoudig en betrouwbaar in gebruik, met een soepele werking.
- Vrijloop- en ratelstand: Bediening in beide richtingen.
- Overbrengingsverhouding: Van 4:1
- Duurzaam gegalvaniseerd ontwerp: Beschermd tegen roest en corrosie.
- Compleet met 6 meter lierband en haak: Alles wat u nodig heeft om direct aan de slag te gaan.
- Model: WT-73-14 Soft
Extra Opties
Wilt u extra bescherming? Voeg een tandwiel beschermkap toe voor meer veiligheid en een langere levensduur van uw lier. Te bestellen op Aspius.nl.
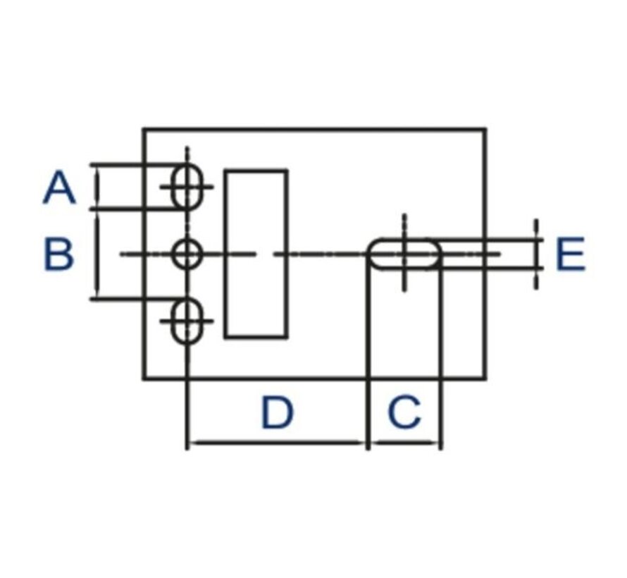
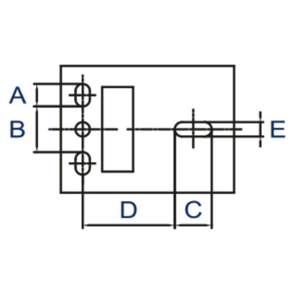
Afmetingen en Specificaties
Afmetingen (A tot E):
- A = 16 mm
- B = 32 mm
- C = 36 mm
- D = 65 mm
- E = 10 mm
De Talamex Trailerlier Medium Soft is een betrouwbare keuze voor watersporters die waarde hechten aan kwaliteit en gemak. Of u nu uw boot in- of uit het water haalt, deze lier maakt de klus eenvoudiger, sneller en veiliger. Dankzij de hoogwaardige materialen en het gebruiksvriendelijke ontwerp is dit een investering die jarenlang meegaat.
Bestel vandaag nog uw Talamex Trailerlier bij Aspius.nl en bereid u voor op een zorgeloos watersportseizoen!









